為全球工業傳動提供自潤滑解決方案
免維護免潤滑 成本降低40% 重量輕80%
- 全國咨詢熱線
- 133-1832-3119
CHWM?工程塑料滑動軸承介紹
PRODUCT DESCRIPTION
CHWM? 工程塑料軸承采用高性能的工程塑料為基料,通過高分子材料改性技術在其內部植入高強度纖維和特種固體潤滑脂改善了綜合耐磨性能; 高強度纖維網狀結構加強了材料的強度,特種固體潤滑脂的復合使得CHWM? 工程塑料軸承具有極好的自潤滑性能和耐磨性能。 無論是耐久性要求很高的汽車工業、高速應用、水下應用、高溫和抗腐蝕應用或是要求符合FDA標準的食品工業,CHWM為全球工業提供不同的解決方案。
CHWM? 塑料軸承由現代工程塑料化合物制成,這種化合物由基礎工程塑料、增強纖維和固體潤滑成份組成,結構均勻,理論上整個壁厚都可用作磨損區。 這有助于降低 CHWM? 滑動軸承的摩擦系數,并提高了整體材質的抗磨性,并能有效的保護與之配合的金屬軸。不含任何油脂,但具有固體潤滑成份和纖維增強材料的均勻材質確保了在任何運動形式下都可利用自身的潤滑成份實現完全的自潤滑。 軸承產品在整個生命周期內的摩擦系數和磨損系數都非常低,確保了長壽命。由于承載面大、塑料的彈性形變性能較好,CHWM? 滑動軸承也可承受重載沖擊和邊緣負載。 增強纖維進一步提升了機械性能。 結合 CHWM? 滑動軸承的材質特性,其可以在很多應用中使用“軟”軸。 即使有邊緣負載,軸的磨損風險也明顯低于滾針軸承。塑料軸承一直對金屬滑動軸承具有技術和成本上的優勢,是良好的替代品。 它們通過精確添加增強材料和固體潤滑成份而改進性能,適用于各種應用和要求,可減少維護工作并實現技術改進。
CHWM?工程塑料滑動軸承特點
PRODUCT CHARACTERISTICS
![]() | ■免潤滑,免維護 ■成本降低 40% ■可預測 ■免潤滑 ■重量減輕 80% ■耐腐蝕 | ■耐灰塵和污物 ■維護和潤滑減少 ■摩擦系數小 ■運行安靜 ■個性化定制產品 ■重量輕 |










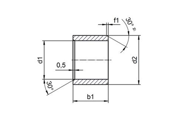
免維護軸承導軌
TECHNICAL INFORMATION
萬馬公司旗下現貨商城 專注長壽命、免維護、耐腐蝕、高精度、無噪音傳動產品的開發和銷售 —— 成品降低40% / 重量輕80% / 免維護自潤滑 / 安靜運行無噪音 / 耐灰塵和污物 / 摩擦系數小 / 重量輕 / 可預測 / 耐腐蝕 / 成本降低40% / 重量減輕 80% / 維護和潤滑減少 / 億萬現貨 / 可定制 咨詢熱線:0757-85525610 |
行業應用解決方案
TECHNICAL INFORMATION
![]() | ![]() | ![]() | ![]() |
| 機床應用解決方案 | 家具應用解決方案 | 農業應用解決方案 | 汽車應用解決方案 |
![]() | ![]() | ![]() | ![]() |
| 攝像應用解決方案 | 食品應用解決方案 | 醫療應用解決方案 | 自動售貨機應用解決方案 |